Sign In | Join Free | My ecer.co.uk
China RFM Cold Rolling Forming Machinery logo
RFM Cold Rolling Forming Machinery
ZTRFM COLD ROLLING FORMING MACHINERY Be with us to create the beautiful world.
Verified Supplier

9 Years

Home > Sandwich Panel Production Line >

Automatic PU Sectional Garage Door Line

RFM Cold Rolling Forming Machinery
Trust Seal
Verified Supplier
Credit Check
Supplier Assessment
Contact Now

Automatic PU Sectional Garage Door Line

Brand Name : ZTRFM

Model Number : ZTAC

Certification : CE

Place of Origin : China

MOQ : 1 set

Price : under discuss

Payment Terms : L/C, T/T

Supply Ability : 30 sets per month

Delivery Time : 90 working days

Packaging Details : Nude with anti-oil package

Contact Now

Automatic PU Sectional Garage Door Line
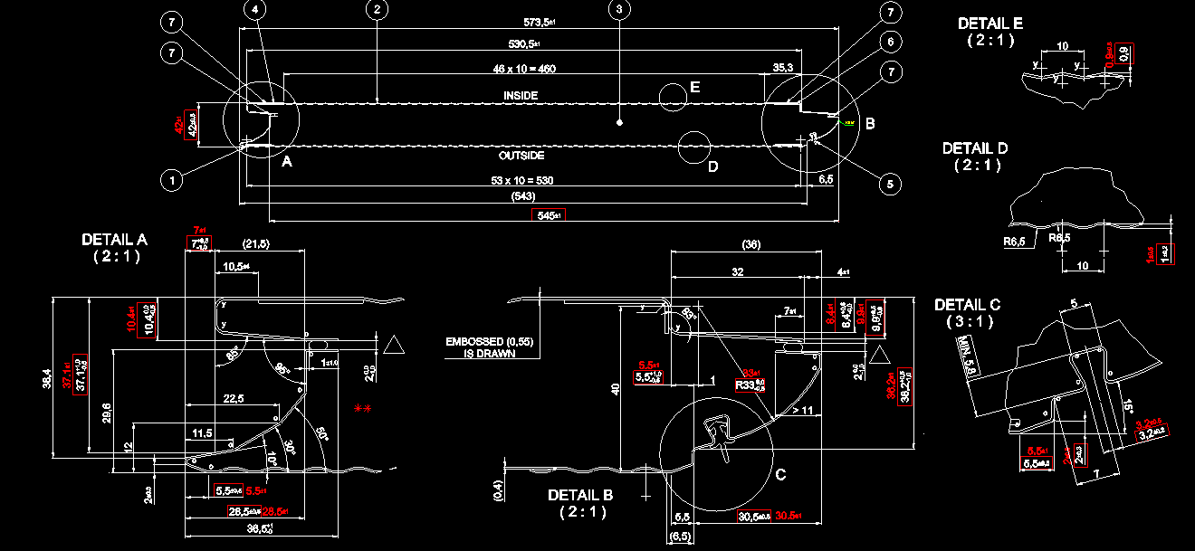
Automatic PU Sectional Garage Door Line is designed to make the sectional garage door in batch fully automatically. Sectional garage doors tend to be less expensive than other types. Most garage doors at local home centers are sectional doors. These doors are secure because it is difficult to break between the panels. Here will take several types for your reference:

Automatic PU Sectional Garage Door Line

Automatic PU Sectional Garage Door Line

Automatic PU Sectional Garage Door Line

Automatic PU Sectional Garage Door Line

Working flow of Automatic PU Sectional Garage Door Line:

Automatic PU Sectional Garage Door Line

Automatic PU Sectional Garage Door Line

This machine is composed by the following elements:
1.Hydraulic un-coiler (5 tons)
2.Film covering
3.Embossing
4.Rib rollers
5.Upper panel roll formerDown panel roll former
6.Double layer construction platform
7.Double bridge device and conveyor
Electrical control system

Automatic PU Sectional Garage Door Line
I,HIGH PRESSURE FOAM MACHINE
8. High pressure continuous foam machine
IV,DOUBLE BELT SYSTEM
9. Double belts system 24M
10 Chain supporting system of two side
11.Plastic mould for one size(40mm)
12.Heating circulation for double beltsCUTTING SYSTEM
13.Band saw cutting
14.Conveyor with output table
Here are some main features of Automatic PU Sectional Garage Door Line:
1.Use molding frame for durable and accurate working.
2.Use gearbox as transmission.
3.Rollers material: CR 12, HRC 60. Chrome coated: 0.03-0.05mm, Strength (MPA): 70 tons, 800 MPA.
4.Shaft: diameter 60 mm, material is #45 steel. Quenched hot treatment. Strength of the main shaft (MPA): 70 tons, 650MPA

Foam making machine, here we show the high pressure type, but if you want to use slow speed for lower cost that is also okay.
High pressure metering machine for two main components polyurethane and ISO and two additional components
Function describe:
The polyurethane mixture coming from the Buyer’s tank is delivered to the high pressure mixing head by means of the axial piston pump which works in a closed circuit and is equipped with spring loaded nozzles. Isocyanate is also supplied directly from the Buyer’s tank storage via the axial piston pump to the high pressure mixing head. Mixing of the polyurethane mixture with isocyanate takes place according to the counter injection process (stream impingement) via spring loaded nozzles. Through a special application nozzle fixed to the mixing head the foam is poured onto the lower facing layer. Blowing agents are added via static mixer into the polyurethane mixture pre-flow line.
Technical data:
pump output each for polyurethane and isocyanate: adjusted to double length and line
Speed: Foam pressure: max. 220bar/ min. 60 bar 12CC PUMP
Viscosity: max. 3.000mPas
Scope of supply:welded steel base frame for the support of the metering units, the filter and the electrical pressure switches:

Automatic PU Sectional Garage Door Line
Double Belt Heating System
Function:
Precise heating of the double belt slats is most important for processing of CFC-free foam systems. The heating system provides a permanently constant surface temperature of the double belt slats separate for the upper and lower slat chains.
The circulating hot air – consisting of re-circulated and fresh air from the plant building is blown with a ventilator trough the heat exchangers and the duct system to the double belt.
From the double belt housing the air is blown back to the air mix chamber of the heat exchanger.
The amount of plant air can be adjusted with louver flaps. The plant air provides a slight over pressure in the double belt housing. Excess air is escaping at the openings in the housing and therefore prevents critical gas concentrations within the housing. The necessary heating energy is supplied by a hot water heating system to be provided by the customer to defined connection points.
The necessary heating power in the air is electronically controlled by measuring the actual slat surface temperature with an infrared sensor at the double belt entrance and controlling the heating valves.
The heating system is designed for PIR foam system (up to 60 °C slat temperature).
Technical data:
Slat temperature: max.60°C
temperature accuracy:± 3°C
temperature of production building: +15 °C to +35°C
calculated insulation value of housing: 1W/m²K
heat-up time from 20 to 40 °C: approx. 2hours circulating air volume: approx. 2 x 8.000 m3/h
required heating power: 2 x 80kW
required hot water circuit pump:2 x 6,5m³/h
required hot water in-feed temperature: 110°C
required hot water return temperature: 90°C

Automatic PU Sectional Garage Door Line

For the shearing part:
The length of the cut is infinitely adjustable within the specified range. The saw height is manually adjustable.
With the cut initiation the diagonal axis are started and controlled in such a way that it keeps
its position relatively to the moving panel to create a precise rectangular cut.
After the cut is finished, the saw units are lifted pneumatically, the diagonal saws move back
to their home position and the saw units are lowered again for the next sequence.
The height of the suction hoods are adjusted with manual control if the panel thickness is
changed.
Technical data:
working height: 2500mm
length: 6000mm
width: 4000mm
Panel width:max.700mm
cutting accuracy:± 2mm

Automatic PU Sectional Garage Door Line

Automatic PU Sectional Garage Door Line Working Video for your reference:


Product Tags:

automatic PU sectional garage door line

      

sandwich panel production line with warranty

      

garage door manufacturing equipment automatic

      
Quality Automatic PU Sectional Garage Door Line for sale

Automatic PU Sectional Garage Door Line Images

Inquiry Cart 0
Send your message to this supplier
 
*From:
*To: RFM Cold Rolling Forming Machinery
*Subject:
*Message:
Characters Remaining: (0/3000)